精選進口品牌配件
好品質,從每一個零配件開始
旋片、油霧分離器、泵體、濾油器、軸承等重要零配件均源自進口大品牌,設備品質從源頭開始把控,為您帶來持續穩定可靠的真空設備。
使用壽命長、抽吸能力不受氣體類型影響
可以在100hPa和大約高出最終壓力10個單位的壓力之間的壓力范圍內運行
覆蓋了從1.3至300m3/h的抽吸能力范圍
針對簡單應用,可提供帶有軸密封圈的標準版本
針對使用腐蝕性介質的泵,可提供不同的腐蝕性版本
采用磁耦合的DuoLine 泵無需軸密封圈的維護
市場參考價:¥元
產品特點
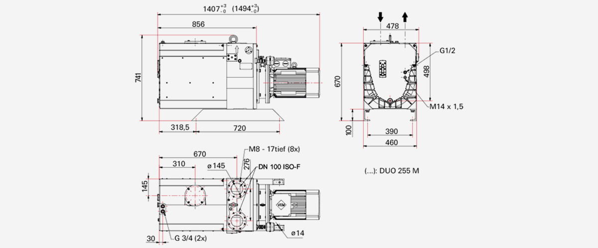
| 技術參數 | 單位 | Duo 255 |
|---|---|---|
| 抽速 | m3/h | 250 |
| 極限壓力 | hpa | 3·10-3 |
| 電壓 | V | 230/400 |
| 噪音 | dB(A) | 75 |
| 使用環境溫度 | ℃ | 12-40 |
| 額定功率 | KW | 7.5 |
| 轉速 | rpm | 1000 |
| 重量 | Kg | 360 |
| 最大排氣壓力 | hpa | 1500 |
| 最小排氣壓力 | hpa | 250 |
| 連接,進氣口/排氣口 | DN | DN 100 ISO-F/DN 100 ISO-F |


感謝以下企業多年來對好凱德的厚愛!
德式精工 匠心智創
德式精工 匠心智創

了解最新合作支持政策