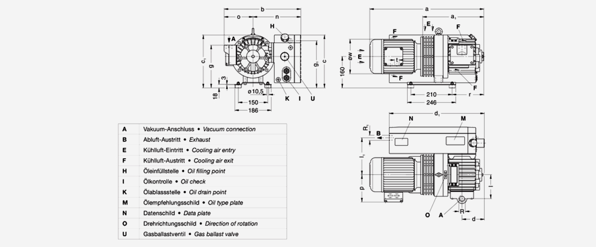
精選進口品牌配件
好品質,從每一個零配件開始
旋片、油霧分離器、泵體、濾油器、軸承等重要零配件均源自進口大品牌,設備品質從源頭開始把控,為您帶來持續穩定可靠的真空設備。
產品特點
| 技術參數 | 單位 | VCE 40 |
|---|---|---|
| 流量 | m3/h | 40 |
| 極限真空 | mbar | 10 |
| 電壓 | V | 230/400±10% |
| 功率 | Kw | 1.1 |
| 電流 | A4.33 | 4.35/2.5 |
| 轉速 | min-1 | 1450 |
| 噪音 | dB(A) | 61 |
| 重量 | Kg | 50 |
| 油量 | L | 2 |


感謝以下企業多年來對好凱德的厚愛!
德式精工 匠心智創
德式精工 匠心智創

了解最新合作支持政策