精選進口品牌配件
好品質,從每一個零配件開始
旋片、油霧分離器、泵體、濾油器、軸承等重要零配件均源自進口大品牌,設備品質從源頭開始把控,為您帶來持續穩定可靠的真空設備。
產品特點
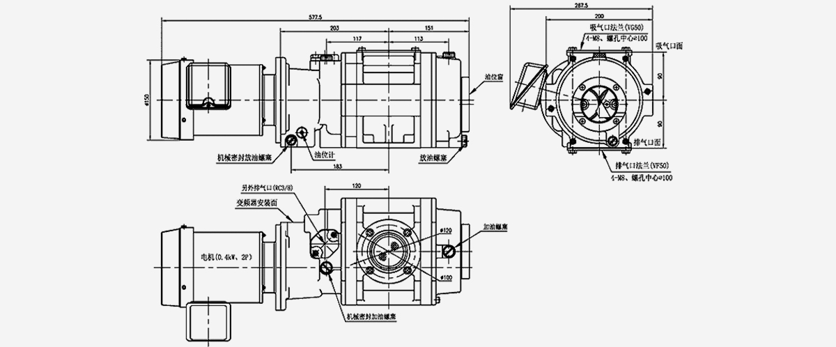
| 技術參數 | 單位 | NB1200B |
|---|---|---|
| 抽速 | m3/h | 1000 |
| 極限壓力 | Pa | 6.7×10-1 |
| 功率 | Kw | 3.7 |
| 使用油 | ULVOIL R-4 | |
| 油量 | L | 1.90 |
| 冷卻水流量 | L/min | 3.0 |
| 冷卻水壓差 | MPa | 0.1 |
| 冷卻水溫度 | ℃ | 5-30 |
| 重量 | Kg | 111 |


感謝以下企業多年來對好凱德的厚愛!
德式精工 匠心智創
德式精工 匠心智創

了解最新合作支持政策