精選進口品牌配件
好品質,從每一個零配件開始
旋片、油霧分離器、泵體、濾油器、軸承等重要零配件均源自進口大品牌,設備品質從源頭開始把控,為您帶來持續穩定可靠的真空設備。
抽速:20m³/h(50Hz);24m³/h(60Hz)
極限真空:5.0x10-3mbr
電壓:220-240/380-415v(50Hz);220-280/380-440v(60Hz)
功率:0.75Kw
轉速:1400/1410rpm
市場參考價:¥面議元
產品特點
長壽命葉片、低噪音水平、易維護、能忍受較高水蒸氣、保養周期長
1. 低噪音、低振動、空氣冷卻,方便容易.
2. 在高溫環境下仍良好運作,在低真空壓力下仍保持良好抽氣速度.
3. 內置濾心和過濾器,可達高度過濾效果,內置單向閥門,防止真空油逆流.
4. 結構簡單、體積小、節省空間、多功能概念,可配合客戶的特別配置,保養簡單.
5. 采用單級設計, 極限真空可達0.1 mbar abs, 流量的可提供20-750 m3/hr (50Hz), 900m3/hr(60Hz);
6. 葉片采用復合材質, 堅固耐用.
7. 標準采用風冷設計, 但可加配水冷卻裝置, 適用于室溫較高的環境下使用.
8. 內置氣鎮閥, 可處理較重濕氣的空氣, 內罝高效能油霧分離器, 安裝程序十分簡易.
9. 電機采用歐洲IE2高能效電機,更省電,行更遠.
10. 可提供各種真空系統,應用于各種需要中心負壓場合, 可靠耐用,適合粗真空和中真空應用.
11. 既可以單獨使用,又可以作其他高真空泵或超高真空泵的前級泵,及超高真空泵的預抽泵。
| 2RH-C系列雙級旋片真空泵DoubleStageRotaryVaneVacuumPump | |||||||||||
| 型號Model | 50/60HZ | 2RH010C | 2RH016C | 2RH020C | 2RH030C | 2RH040C | 2RH060C | 2RH090C | 2RH080C | 2RH175C | 2RH275C |
| 額定流量 Ratedairflow | 50HZ | 9.9m3/h | 14.4m3/h | 20m3/h | 30m3/h | 40m3/h | 60m3/h | 90m3/h | 80m3/h | 175m3/h | 275m3/h |
| 60HZ | 12m3/h | 17.4m3/h | 24m3/h | 36m3/h | 48m3/h | 72m3/h | 108m3/h | 96m3/h | 180m3/h | 306m3/h | |
| 關氣鎮極限分壓強Ultimatepartialpressurewithoutgasballast | mbar | 7.0x10-4 | 1.0x10-3 | ||||||||
| 關氣鎮極限總壓強1Ultimatetotalpressurewithoutgasballast | mbar | 5.0x10-3 | 5.0x10-3 | ||||||||
| 開氣鎮極限總壓強1 Ultimatetotalpressurewithgasballast | mbar | 5.0x10-2 | 5.0x10-3 | 2.0x10-4 | 1.0x10-2 | ||||||
| 水蒸氣允許壓強 Watervaportolerance | mbar | 20 | 30 | 20 | |||||||
| 口徑Diameter | KF25 | KF40 | KF50 | ||||||||
| 電壓Voltage | 50HZ | 220-240v/380-415v | 220-240v/380-420v | 220-240v/380-415v | |||||||
| 60HZ | 220-280v/380-440v | 220-280v/400-440v | 220-280v/380-460v | 220-280v/380-440v | |||||||
| 電機功率Motorpower | KW | 0.4 | 0.55 | 0.75 | 1.5 | 2.2 | 3.7 | 5.5 | 7.5 | ||
| 電流Current | 50HZ | 1.75/1.15A | 2.40/1.45A | 1.75/1.15A | 6.5/3.50A | 9.57/5.40A | 13.4/7.70A | 1.75/1.15A | 22.9/13.3A | 28.9/16.7A | |
| 60HZ | 2.10/1.38A | 2.88/1.74A | 2.10/1.38A | 7.83/4.20A | 11.5/6.48A | 16.1/9.24A | 2.1/1.38A | 24.2/14.2A | 29.7/17.3A | ||
| 轉速Nominalspeed | 50HZ | 1400/1410 | 1400/1420 | 1400/1410 | 1440/1420 | 1440 | 1400/1410 | ||||
| 60HZ | 1680/1710 | 1680/1710 | 1700/1720 | 1680/1710 | |||||||
| 噪音Sound | dB(A) | 64 | 68 | 70 | 75 | ||||||
| 油量Oil | L | 1.1 | 1.2 | 0.75/1.5 | 1.2/2.8 | 2.5/4.2 | 4.0/6.3 | 16/25 | 23/28 | ||
| 重量Weight | kg | 24 | 27 | 32 | 63 | 91 | 104 | 105 | 200 | 255 | |
抽速曲線圖

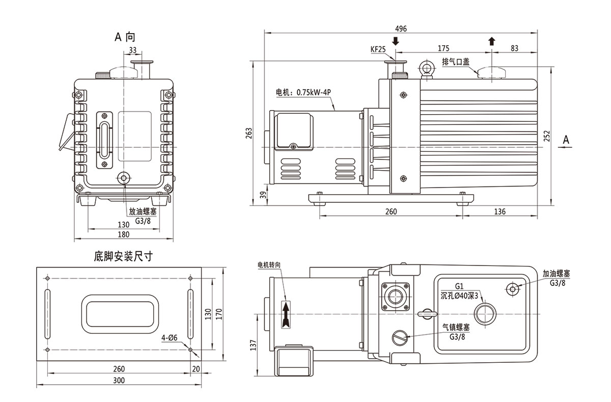
安裝尺寸圖

2RH020C雙級旋片真空泵 好凱德Hokaido真空泵
廣泛應用于:冶金、機械、電子、化工、輕工、石油及醫藥等生產和科研部門等領域。
感謝以下企業多年來對好凱德的厚愛!
德式精工 匠心智創
德式精工 匠心智創
了解最新合作支持政策