精選進口品牌配件
好品質,從每一個零配件開始
旋片、油霧分離器、泵體、濾油器、軸承等重要零配件均源自進口大品牌,設備品質從源頭開始把控,為您帶來持續穩定可靠的真空設備。
額定流量:500m³/h(50Hz)
極限壓力≤1x10-3mbr(abs)
電壓:320-440(50Hz)
功率:2.2Kw
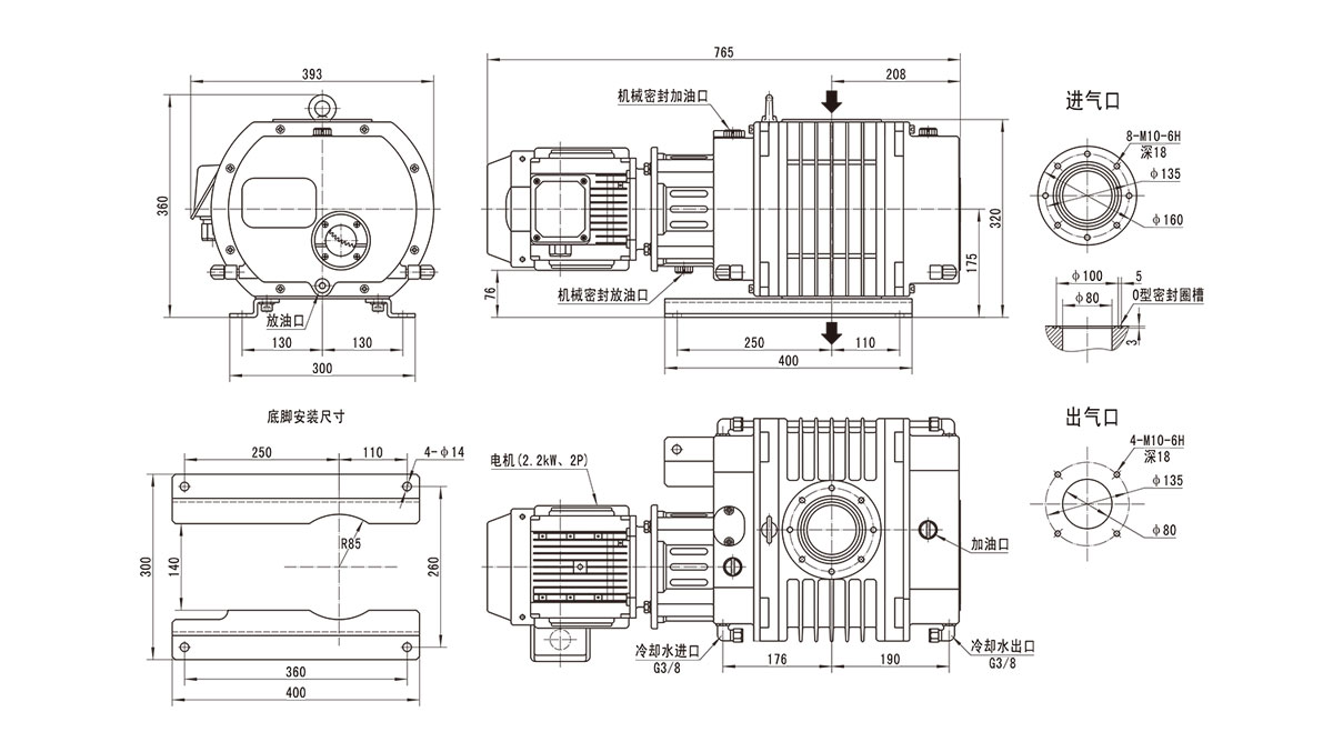
口徑:VG63/ISO100
轉速:900/1120Min-1
市場參考價:¥面議元
產品特點
·采用無油中間密封,多重密封方式,確保轉子腔內部高潔凈真空環境
·先進加工工藝,確保轉子良好的幾何對稱性,低噪音,高壽命
·泵體轉子全鋁合金制造,散熱快,耐腐蝕,高效節能
·采用特殊軸封方式,實現長期穩定運行,不漏油
·結構緊湊,重量輕,體積小
| 技術參數 | 50HZ | RV500C |
|---|---|---|
| 額定流量 | m3/h | 500 |
| 極限壓力 | mbar(abs) | ≤1x10-3 |
| 壓差 | Pa | 5000 |
| 油量 | L | 4.6/5.0 |
| 電流 | A | 3.9/4.0 |
| 噪音 | dB(A) | 68 |
| 功率 | kw | 2.2 |
| 轉速 | Min-1 | 900/1120 |
| 電壓 | V | 320-440 |
| 重量 | kg | 79.5 |
| 口徑 | " | VG63/ISO100 |
| RV-C 系列羅茨真空泵Roots Vacuum Pump | |||||
| 型號Model | 50HZ | RV0100C | RV0300C | RV0500C | RV1100C |
| 額定流量 Rated airflow | m3/h | 100 | 300 | 500 | 1100 |
| 極限壓力 Ultimate pressure | mbar(abs) | 1x10-1 | ≤1x10-3 | ||
| 口徑Diameter | VG50 | VG80 | VG63/ISO100 | VG80/ISO100 | |
| 電壓Voltage | v | 320V-440V | |||
| 電機功率 Motor power | kw | 0.4 | 0.75 | 2.2 | 3.7 |
| 電流Current | A | 0.9 | 1.8 | 3.9/4.0 | 4.9/5.0 |
| 轉速Nominal speed | Min-1 | 2885/3600 | 2885/3600 | 900/1120 | 1400/1720 |
| 噪音Sound | dB(A) | 68 | 70 | ||
| 油量Oil | L | 0.4 | 0.8 | 4.6/5.0 | |
| 重量Weight | kg | 30 | 51 | 79.5 | 215 |
抽速曲線圖

安裝尺寸圖

RV0500羅茨真空泵 好凱德Hokaido羅茨泵
廣泛應用于:蒸發鍍膜、磁控濺射、卷繞鍍膜、離子鍍膜、光學鍍膜等;
單晶爐、多晶爐、真空熱處理爐、燒結爐、退火爐、淬火爐等;
真空干燥、冷凍干燥、檢漏設備及系統、氣體回收系統、液晶注入等;
冰箱、家用空調、中央空調、節能燈、背光源自動抽空線、排氣設備等行業。
感謝以下企業多年來對好凱德的厚愛!
德式精工 匠心智創
德式精工 匠心智創

了解最新合作支持政策